每次填型钢卸料平台参数时,都担心被监理挑刺?
明明是按规范做的,为什么还是过不了审?
本周技术干货更新:花篮螺栓悬挑架(盘扣式)参数填写。
老师将使用品茗施工云安全计算软件,逐步图解教学,建议收藏哦!
继续往下看,2分钟掌握核心要点,下次填报再也不用求人!
概述
本模块中,基本参数、荷载参数、杆件参数、连墙件参数的取值方式同盘扣式落地式脚手架参数填写(第二篇和第三篇):
【软件教程】如何用品茗施工云安全计算软件快速生成盘扣式落地脚手架计算书(二)基础脚手架知识讲解
【软件教程】如何用品茗施工云安全计算软件快速生成盘扣式落地脚手架计算书(三)盘扣式落地脚手架荷载、杆件、连墙件参数填写
悬挑梁参数与常规悬挑主梁验算相通,本篇仅对花篮架特殊参数做详细说明。
脚手架安全等级:对于花篮分段式脚手架的安全等级的确定,GB51210中对于悬挑式脚手架高度大于20m,安全等级为1级。此外还需要根据各地方花篮地标的求进行明确
设置拉杆前,型钢主梁是否设置临时支撑:花篮拉杆的受力需要由刚性拉杆承受大部分荷载,受施工顺序的限制,在本层型钢层施工时,上部拉杆不能够形成受力体系。
此时考虑型钢层的受力,可以有两种处理方式。第一种:本层工字钢由下一段脚手架顶住,本层工字钢的受力传递到下一段架体。第二种:本层工字钢不与下方架体接触,不发生受力关系,此时工字钢本身受力由于建筑物连接处的螺栓进行受力。两种受力形式取决于现场的施工形式。
未设拉杆时的架体最大高度:考虑到本层架体的安全性,在不同花篮地标规范中,都对此值做了明确,本手册以福建花篮地标举例。
脚手架计算高度Hs:当设置拉杆前,型钢主梁设置临时支撑时,本层工字钢受力要传递到下一层,那下一层考虑的计算高度就要加上本层工字钢的受力。例:未设拉杆时的架体最大高度6m,本挑脚手架搭设高度H118m,若要考虑上一层工字钢受力继续传递到本层,那么本段工字钢所承受的架体高度为18+6=24m。
本挑脚手架搭设高度Hs:当设置拉杆前,型钢主梁未设置临时支撑时,需要考虑上一层主梁是否传递到本层,考虑方式同上。
悬挑梁
1.基本参数
悬挑方式:可选择普通主梁悬挑和联梁悬挑,可以参考下方型钢主梁平面图

锚固螺栓类型:可选穿墙螺栓和半预埋形式。
主梁建筑物外悬挑长度Lx:可以根据脚手架搭设的横向间距确定。
主梁角焊缝焊脚尺寸hf:根据现场实际焊接工艺确定;一般受限于手工焊接工艺的精度问题,趋向安全考虑,此处可取小值。
主梁角焊缝强度设计值ffw:可根据焊接方法、焊条型号及构件钢材的牌号确定。
支撑设置:上拉选项可双击修改成下撑,对于此模块一般支撑形式为刚性上拉杆件,且必须参与设计计算。右击所在行,可以增加多道支撑形式。
结构梁板配筋验算:勾选后可对上拉杆件连接的结构进行配筋验算。
2.材料参数
主梁与建筑物连接螺栓类型:可选摩擦型高强螺栓、承压型高强螺栓及普通螺栓,选择应与现场相符。
竖向连接钢板厚度dt:一般建议不小于10mm,此外也应符合对应地标要求。本说明以福建地标举例,连接板厚度不小于12mm。
主梁与建筑物连接节点:螺栓埋入深度s及预埋螺栓机械锚固件边长a0可以参考以下两张示意图,具体数值以现场实物为准。

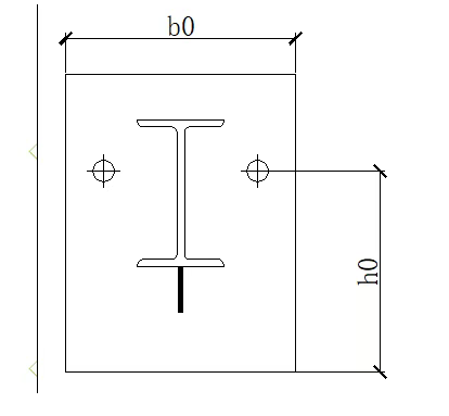
竖向连接钢板宽度b0及螺栓中心至钢板底部距离h0:如下图,应符合对应地标要求。本说明以福建地标举例。

3.支撑杆件参数
花篮螺栓在螺纹处的有效直径de:需要自己手动计算,公式可查。
上拉杆件与建筑物连接方式:可选锚固螺栓及预埋锚筋。现场多为锚固螺栓。
吊耳板连接:耳板的示意图可以参考起重吊重工程中吊耳的计算,吊耳相关参数可一一对应。

上拉杆件与建筑物连接及上拉杆件与建筑物连接:采用锚固螺栓进行连接时,螺栓类型的选择应当与现场一致。普通螺栓、摩擦型高强螺栓、承压型高强螺栓受力特点不同,因此计算公式也不同。
荷载参数
本模块已自行考虑上方脚手架与工字钢之间的传力,因此不需要自己考虑。
梁板参数
可根据结构施工图给定的结构梁板配筋填写对应参数。